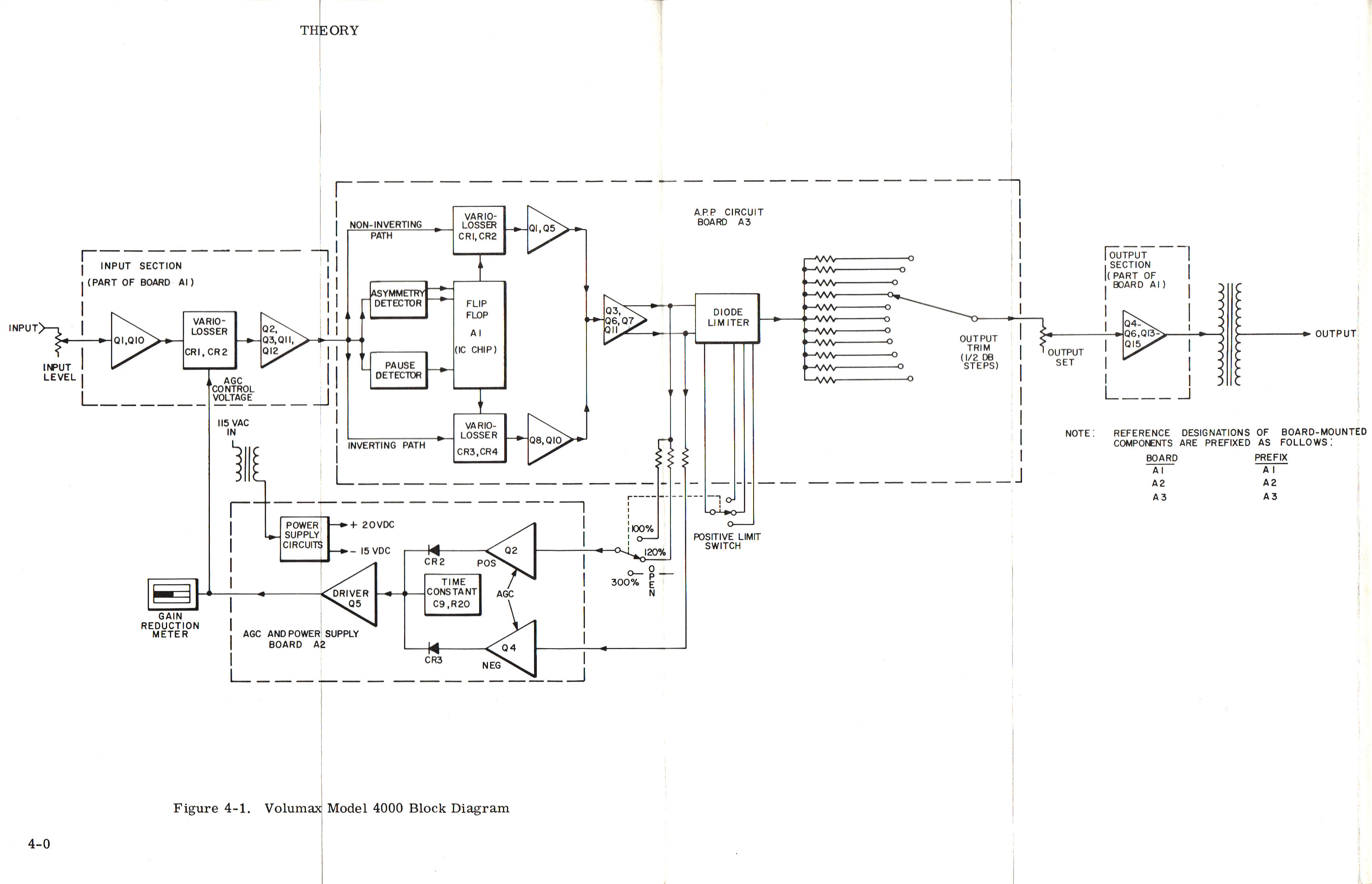
Name Last modified Size Description
Parent Directory - CBS Television Netwo..> 2020-01-10 19:49 160M cbs model 4000 volum..> 2020-01-10 19:46 5.3M cbs model 410 411 vo..> 2020-01-10 19:46 2.3M cbs model 4440a 4450..> 2020-01-10 19:46 6.0M cbs model 710 loudne..> 2020-01-10 19:46 2.0M manuals/ 2017-07-01 15:54 - volumax 4-0.jpg 2016-05-27 16:09 542K